
As the uncle of a 5 year old curious boy, I have to make something “out of the mainstream” for his birthday, as usual. This time just something simple like a kaleidoscope. Hmmm, I can do better than that, so I fitted it with LEDs and a battery, and it was an LED kaleidoscope. Old technology brought into the 21st century. But we’ll have to take it apart on His birthday, because He’ll want to know how the whole thing works.
Supplies


- 3 Different Led´s (flashing,blinking or flickering)
- 1 Micro-switch
- 1 CR2032
- Copper Band
- Wood
- Acrylic sheet
- Plastic Mirror sheet
- 4 M2,5 10mm screws
- 4 M2,5 20mm screws
CAD Design




Hello,
As always, I’m starting my project Virtuel. This helps me to make sure that everything fits together right from the start. Reality will show whether it really works.
For the 3D design I still use the good old Google Sketchup 8. To create the DXF file I use Qcad. This file is then processed in Inkskape so that my laser cutter understands it.
The DXF-file can be downloaded from here: https://github.com/awall9999/LED-KALEIDOSCOPE/tree/main
Cutting the Parts


As already mentioned, I use a laser cutter to create the parts. The main housing is made of 4mm plywood from the DIY store and the A4 plastic mirror is from a craft shop.
The Inside Assembly







First, glue the mirror strips to the 3 centre pieces, using two-sided glue. I have added numbers and letters to the photos, hopefully you understand what I am talking about :).
The 3 mirror parts are pushed through part 3+4 and form the typical triangle. Glue part no. 2 onto one end. I used hot glue for this. I painted part no. 1, which is the holder for the LEDs, black. This is then glued to the other end of the mirror.
Unfortunately I forgot to take pictures of parts C and D, so I only have the 2D drawing. These are glued to part no. 1 as shown in the photo, with part C with the brackets all the way out.
The Outside Assembly





Now the outer shell. Here I first glue the long parts with the cut-outs, as shown in the photo. Then the ones without cut-outs, each in between the others. Then put some tape or rubber rings around the finished part and let the glue dry.
Now for the optical part, where you look inside. I decided to use black coloured transparent plexiglass, as the LEDs are quite bright. So it works like sunglasses :).
Attach the whole thing to part no 2 with 10mm M2.5 screws.
Electronics














This step is a little more complicated.
Markings were burned into the wooden parts. Now you have to cut the copper foil so that it fits there. A small square part was glued on first to create a small elevation so that the contact with the battery is better. (I added some solder afterwards to improve the contact).
On the wooden part with the smaller copper surface, the copper strip must be slightly longer towards the top, as it is passed through the slot and then folded over.
Now glue the part with the 20mm hole onto the part with the L-shaped copper strip. Pay attention to the direction of rotation.
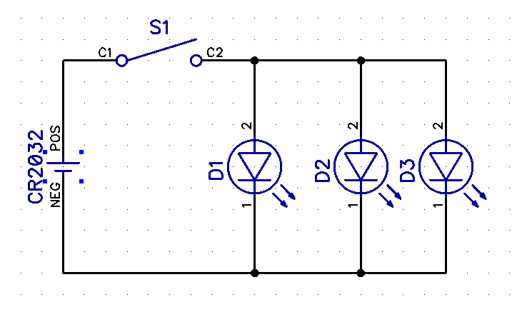
A CR2032 can handle up to 3 LEDs. I sanded down the front side. now they are less bright and more diffuse.
Now you can install the flashing, colour-changing or flickering LEDs. There is space for 3mm or 5mm LEDs. However, a maximum of 3 can be connected in parallel. These LEDs are designed for 3 volts, so the CR2032 is perfect. In my photo you can see more bulbs, but they are not all wired. As this is my prototype, I am testing different combinations.
The micro switch and the CR2032 battery are installed as shown in the photo. The plus pole of the battery is at the bottom.Then solder the wires to the two copper foils. Red is plus, blue is minus. The switch is simply connected in series.
Now just solder the LED’s and assemble the whole thing with 20mm M2.5 screws.
The Final Result and Further Ideas







Here are some photos of the finished LED-Kaleidoscope. It was painted with acrylic paint and ornaments were glued on it and a 2000 carat diamond to raise the value a bit.
Future plans and ideas.
This one was my first attempt to test the concept. But I will develop the idea further, and I have some ideas.
First, the Kaleidoscope will be equipped with a microcontroller and a rechargeable battery. Then the simple LEDs will be replaced by WS2812B, an LED-Matrix or an oled screen.
Stay curious, it’s me in any case.